R205A81420-KWE-020-FNS-C1-N-1

Anasayfa R205A81420-KWE-020-FNS-C1-N-1

R205A81420-KWE-020-FNS-C1-N-1

R205A81420-KWE-020-FNS-C1-N-1

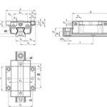
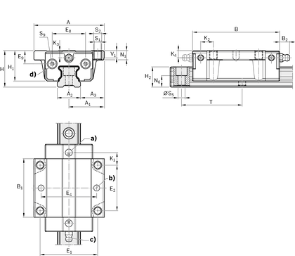
Bilyalı kızak Compact Line, FNS, yapı boyutu 20, çelik CS, doğruluk normal, düşük öngerilme

Ürün Açıklaması

Compact Line bilyalı kızak, hassastır ve aşağıdaki ürün özellikleriyle öne çıkmaktadır:
Yapı boyutu 20
Yapı şekli FNS – Flanş, normal, standart yükseklik
Karbon çelikten kılavuz kızağı gövdesi CS
Öngerme sınıfı C1: Düşük öngerilme
Doğruluk sınıfı N: Normal
bilyalı zincirsiz
İlk gresleme yapılmış ve koruyucu uygulanmış
Standart modelde kılavuz kızağı
Kılavuz kızağı toplam uzunluğu = 75 mm
Değiştirilebilir: Kılavuz kızağı ve kılavuz raylar tüm doğruluk sınıflarında birbiri ile dilendiği gibi kombine edilebilir.

  • Kullanım alanı: Yüksek sertlik düzeyi gereksinimlerinde
  • Taşıma kapasitesi: Yüksek
  • Üstten ve alttan vidalanabilir
1
WhatsApp
Koray SUVAT
Merhaba! Size nasıl yardımcı olabiliriz?
11:43

Çerez Kullanımı

Zirve Tema, 6698 sayılı KVKK 10. maddesi aydınlatma yükümlülüğü çerçevesinde kişisel verilerinizin işlenerek saklandığını tarafınıza bildirmektedir.